返回>>
KDYW-88K-200D成孔質量檢測儀換能器
名稱:成孔質量檢測儀換能器
型號:KDYW-88K-200D
電容量:pF±20% @1KHz
工作溫度:-40~+80℃
頻率:中心頻率:90KHz±5% 帶寬(-3dB):±20%
工作電壓:峰值電壓<2250Vpp
適用于:成孔質量檢測儀換能器、測樹換能器
全國熱線
0591-28082552
產品詳情
一、換能器的主要技術指標
項目 | 技術指標 | 實物圖片 |
名稱 | 88KHz普通型換能器 |
|
型號 | KDYW-88K-200D | |
頻率 | 中心頻率:90KHz±5% 帶寬(-3dB):±20% | |
最小阻抗 | Ω±20% | |
電容量 | pF±20% @1KHz | |
靈敏度 | 空載驅動電壓:500Vpp,距離0.6m, 回波幅度2V | |
工作電壓 | 峰值電壓<2250Vpp | |
工作溫度 | -40~+80℃ | |
壓力 | ≤10公斤或者1MPa | |
角度 | (波束寬度)半功率角@-3dB:24.3°±10%;銳度角:59.2°±10%; | |
外殼材質 | ABS+PI | |
用途 | 測樹換能器等 | |
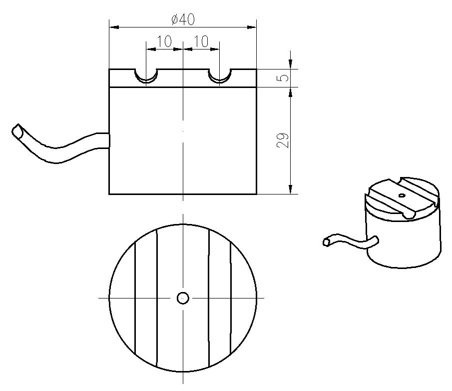
安裝尺寸 | 詳見產品結構圖 | |
防護等級 | IP68 | |
重量 | g±5%(線長:30cm) | |
接線說明 | 紅:換能器+,黑:換能器-,黃:屏蔽線,(不帶溫度傳感器) | |
二、換能器產品結構圖

上一條
KDYW-88K-200BC成孔質量檢測儀換能器
下一條
KDYW-88K-200G成孔質量檢測儀換能器
產品中心
聯系我們
全國咨詢熱線:0591-28082552
QQ:2187169532
手機:18050180580
郵箱:2187169532@qq.com
地址:福建省福州市晉安區福興經濟開發區紅光路11號E座







