返回>>
DYA-100-02PE-F防腐型換能器
名稱:100KHz防腐型換能器
型號:DYA-100-02PE-F
量程:0.15~2m
工作溫度:-40~+80℃
頻率:100KHz±5%
工作電壓:峰值電壓<800Vpp
本產品適用于:超聲波液位計,監控,防撞,安防
全國熱線
0591-28082552
產品詳情
一、換能器的主要技術指標
項目 | 技術指標 | 實物圖片 |
名稱 | 100KHz防腐型換能器 |
|
型號 | DYA-100-02PE-F | |
頻率 | 100KHz±5% | |
建議量程 | 0.15~2m | |
最小阻抗 | 700Ω±20% | |
電容量 | 2100pF±20% @1KHz | |
靈敏度 | 空載驅動電壓:300Vpp,距離0.3m, 回波幅度40mV | |
工作電壓 | 峰值電壓<800Vpp | |
工作溫度 | -40~+80℃ | |
壓力 | ≤3公斤或者0.3MPa | |
外殼材質 | PVDF | |
用途 | 超聲波液位計,監控,防撞,安防 | |
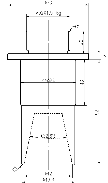
安裝尺寸 | 詳見結構圖 | |
防護等級 | IP68 | |
重量 | 755g±5%(線長:10m) | |
接線說明 | 分體(四線):紅:換能器+、白:換能器-、藍,黑:溫度傳感器線(MF58); 分體(三線):紅:換能器+、藍:溫度傳感器+、黑:公共-; | |
二、換能器的導納曲線圖

三、換能器產品結構圖

上一條
DYA-100-02PE防腐型換能器
下一條
DYA-49-08PA防腐型換能器PA型
產品中心
聯系我們
全國咨詢熱線:0591-28082552
QQ:2187169532
手機:18050180580
郵箱:2187169532@qq.com
地址:福建省福州市晉安區福興經濟開發區紅光路11號E座







