返回>>
100KHz耐腐蝕水聲換能器DYW-1M-01LE
名稱:100KHz耐腐蝕水聲換能器
型號:DYW-1M-01LE
量程:0.6 ~ 40m
工作溫度:-40~+80℃
頻率:100KHz±5%
工作電壓:峰值電壓<850Vpp
本產品適用于:超聲波流量計,水下測距儀
全國熱線
0591-28082552
產品詳情
一、換能器的主要技術指標
項目 | 技術指標 | 實物圖片 |
名稱 | 100KHz耐腐蝕水聲換能器 |
|
型號 | DYW-1M-01LE | |
頻率 | 100KHz±5% | |
量程 | 0.6 ~ 40m | |
最小阻抗 | 1200Ω±20% | |
電容量 | 1200pF±20% @1KHz | |
靈敏度 | 空載驅動電壓:200Vpp、距離:0.7m、 回波幅度:900mV | |
工作電壓 | 峰值電壓<850Vpp | |
工作溫度 | -40~+80℃ | |
壓力 | ≤10公斤或者1MPa | |
角度 | (波束寬度)半功率角@-3dB:43°±10%, 銳度角:115°±10% | |
外殼材質 | 詳見產品結構圖 | |
用途 | 超聲波流量計,水下測距儀 | |
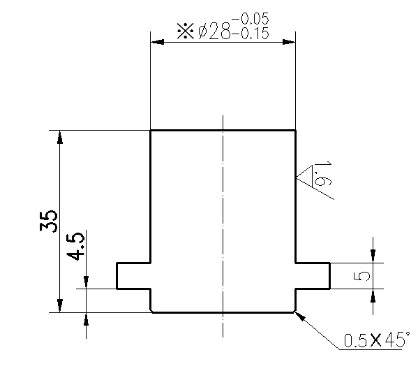
安裝尺寸 | 詳見產品結構圖 | |
防護等級 | IP68 | |
重量 | 103g±5%(線長:2m) | |
接線說明 | 紅:換能器+ 黑:換能器- 黃:屏蔽; | |
二、換能器的導納曲線圖

三、換能器產品結構圖

上一條
1MHz耐腐蝕水聲換能器DYW-1M-01LA
下一條
1MHz水聲換能器DYW-1M-01N
產品中心
聯系我們
全國咨詢熱線:0591-28082552
QQ:2187169532
手機:18050180580
郵箱:2187169532@qq.com
地址:福建省福州市晉安區福興經濟開發區紅光路11號E座







